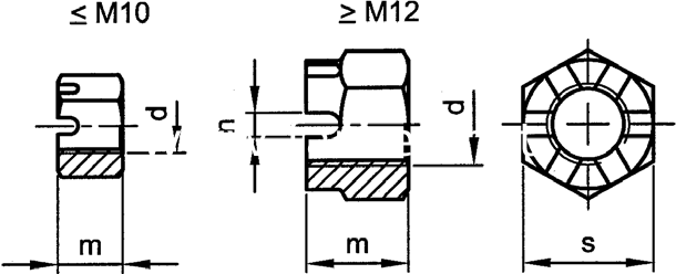
DIN935 Hexagon slotted and castle nuts開槽六角螺帽

.jpg)
|
Thread size d
|
M4
|
M5
|
M6
|
M8
|
M10
|
M12
|
M14
|
|
P
|
0.7
|
0.8
|
1
|
1.25
|
1.5
|
1.75
|
2
|
|
M Max
|
5
|
6
|
7.5
|
9.5
|
12
|
15
|
16
|
|
S Max
|
7
|
8
|
10
|
13
|
17
|
19
|
22
|
|
N Min
|
1.2
|
1.4
|
2
|
2.5
|
2.8
|
3.5
|
3.5
|
|
Split pin DIN94
|
1X10
|
1.2X12
|
1.6X14
|
2X16
|
2.5X20
|
3.2X22
|
3.2X25
|
|
Thread size d
|
M16
|
M18
|
M20
|
M22
|
M24
|
M27
|
M30
|
|
P
|
2
|
2.5
|
2.5
|
2.5
|
3
|
3
|
3.5
|
|
M Max
|
19
|
21
|
22
|
26
|
27
|
30
|
33
|
|
S Max
|
24
|
27
|
30
|
34
|
36
|
41
|
46
|
|
N Min
|
4.5
|
4.5
|
4.5
|
5.5
|
5.5
|
5l5
|
7
|
|
Split pin DIN94
|
4X28
|
4X32
|
4X36
|
5X38
|
5X40
|
5X45
|
6.3X50
|